Каталог

Механизм исполнительный электрический прямоходный ВЭП-225М-1600/63-20-220В
Механизм исполнительный электрический прямоходный ВЭП-225М-1600/63-20-220В
Механизм исполнительный электрический прямоходный ВЭП-225М-1600/63-20-220В
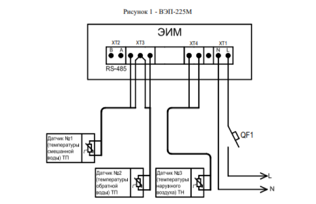
ВЭП-225М-1600/63-20-220В Усилие 1600 Н.Поддержка датчиков темпертуры
Назначение(для ВКСР Ду15-80)
Отличительные особенности:
Панель управления с ЖКИ дисплеем и клавиатурой, встроенная в корпус привода;
три канала измерения температуры для датчиков с НСХ типа Pt500 или Pt1000;
встроенный программный ПИД-регулятор;электронная защита привода от перегрузки;энергонезависимая память;
таймер;интерфейс связи RS-485;протокол обмена данными Modbus RTU.

Цена: 51000.00
 –  + 

Может управлячть контуром отопления (программа 10 3 врезных+1 наружний )  и контуром гвс(программа 20 2 врезных))

 

Предназначены для перемещения регулирующих органов в системах автоматического регулирования технологическими процессами в

соответствии с командными сигналами автоматических регулирующих и управляющих устройств или по сигналам, получаемым дистанционно

от оператора. С управляющим сигналом ~220В, 50 Гц и 24В постоянного или переменного тока; (схема подключения: трехпроводная),

с двумя концевыми выключателями (базовое исполнение).

Механизм исполнительный электрический прямоходный (ЭИМ) предназначен для управления двухходовыми и трехходовыми клапанами.

ЭИМ изготавливают в климатическом исполнении УХЛ 4 по ГОСТ 15150. ЭИМ не предназначен для работы в средах, содержащих агрессивные

 пары, газы и вещества, вызывающие разрушение покрытия, изоляции и материалов, а также во взрывоопасных средах. Электропривод 

выполнен на базе шагового электродвигателя . Питание и управление осуществляется от платы управления. Номинальное время полного

хода задается переключателем.

Отключение электродвигателя производится при нагрузке 1,2-1,3 номинального усилия, то есть в крайних положениях штока клапана или

при заклинивании. Схема защиты исключает дальнейшее исполнение команд в данном направлении. Сброс схемы защиты происходит

при подаче команды на движение в противоположном направлении. Для перемещения регулирующего органа ЭИМ вручную предназначен

стандартный шестигранный ключ, который включается в комплект поставки.

 

Характеристики

Характеристики Значение
Управление Трехпозиционное ~220В, 24В постоянного или переменного тока 
Защита двигателя от перегрузки

Электронная

Регулируемые переключатели положений " открыт" или "закрыт" (2 шт.)

+

Режим работы по ГОСТ 183-74 S4 - 25% ПВ, 630 переключений в час
Температура окружающей среды от +1 °С до +50°С
Степень защиты  IP54 
Потребляемая мощность, Вт 6 - 30

 

 Паспорт привод ВЭП 225М

Руководство пользователя на привод ВЭП 225 М